贴片0603led灯珠规格型号有哪些?
- 发布时间:2021-05-07 09:06
- 浏览次数:245
贴片0603led灯珠规格型号有哪些 ,
台宏贴片0603led灯珠规格型号有哪些?

一、
昨天有一个读者,问:贴片0603led灯珠规格型号有哪些?
贴片0603led灯珠规格型号有哪些啊。
单色0603,双色0603,3色0603RGB全彩和侧发单色0603灯珠和凸头0603led灯珠。
0603LED灯珠规格型号为什么这么多啊。
用途广。
指示灯,小贴片,很多的产品应用都会选择0603系列灯珠。
0603灯珠体积小啊,亮度又比0402灯珠高,所以,很多工程师选择都会优选0603灯珠类型。
0603灯珠主要应用在哪里啊。
背光源、照明、电子设备、显示屏、汽车等五大领域的应用,很多就是选择的0603灯珠系列。
有市场,自然生产的规格型号就多,需求大,应用广,自然0603灯珠厂家生产的就多。
LED灯珠封装厂家一般都是根据客户的灯珠需求来定做的。
同样的0603灯珠,正发光,侧发光,凸头灯珠,单色,双色,三色,普通亮度,高亮度,让0603灯珠系列规格变得极其丰富。
红光,普绿光,蓝光,翠绿光,黄光,橙光,紫光,正白光,暖白光,冷白光系列,又组成了0603灯珠的颜色类型系列。
我是一家LED灯珠生产厂家,led灯珠规格型号一览表很多,贴片0603led灯珠规格型号只是其中的一部分。
所以,你问我,贴片0603led灯珠规格型号有哪些?那我就把贴片0603led灯珠规格型号告诉你吧。

二、
贴片0603led灯珠规格型号有哪些?
1、单色0603灯珠,
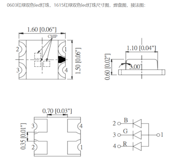
2、双色0603灯珠,
3、三色RGB全彩灯珠,
4、侧发单色灯珠,
5、球头60度凸头灯珠。
我们一起来看看吧。
1、单色0603灯珠,有单色红、橙、黄、绿、青、蓝、紫多种颜色。

2、双色0603灯珠,有0603红普绿双色,0603红蓝双色,0603红翠绿双色。

3、三色RGB全彩灯珠,0603红绿蓝3色灯珠。

4、侧发单色灯珠,有白光,红光,橙光,黄光,翠绿光,黄绿光。

5、球头60度凸头灯珠。有白光,红光,黄光,黄绿光,翠绿光,蓝光,紫光和粉红光以及红外灯。

0603灯规格实在是极其丰富的灯珠系列。
如需更加详细的0603灯珠系列规格书,请咨询led灯珠厂家台宏光电客服工程师。
三、
有个工程选型,在0603,0805,1206和0402灯珠系列型号中选型,不知道哪底哪一个规格型号会更加合适。
灯珠教授的建议是一看用途,二看尺寸,根据这两点来选型。
然后结合亮度,一致性,常规性来选择,是比较理想的一种方案。
0603灯珠尺寸:1.6mm*0.8mm*0.6mm, 这是一个0.6mm的厚度,事实上,0603还有0.09厚度,1.1mm的厚度,这个可以咨询led灯珠厂家。
规格多,型号全,是0603灯珠系列的一个优点。
为什么这么多的电子工程师选型0603灯珠系列啊。
不过不是灯珠教授一一给他们选型建议的。
而是,他们之前很多都经过反复的测试,最后发现0603灯珠规格是比较合适的一个型号罢了。
咱是客户需求什么 ,我们提供什么样的定制产品。
咱是市场需求什么,我们提供对应的灯珠产品。
啥意思,灯珠教授是说,如果你确定了具体的0603灯珠型号,那我们就把这些灯珠的规格型号提供给你。如果你没有确定具体的规格型号,那我们的工程师就给像提供选型。
当然,定制0603灯珠也是可以的,但是具体的参数,就是要你先确认好了。

今天的看看led灯珠规格型号一览表,贴片0603led灯珠规格型号有哪些?就分享到这里,如果你需要更多的LED灯珠规格型号选择,请咨询我们的客服人员。
最后的话:买灯珠,找台宏,提高选型效率,降低维护成本。
台宏光电:专注发光二极管(LED灯珠)研发、生产和销售。
可预约工程师提供灯珠快速选型服务,免费提供样品测试,有效解决您的选型难题!
>>立即咨询 QQ: 2881795059 (微信同号) 电话:400-689-8189小贴士:需要0603、0402、1206贴片led灯珠价格,规格书、图片、参数,样品免费测试都可以咨询在线客服。

