0603灯珠,0603灯珠尺寸,0603灯珠红光价格,0603贴片Led生产厂家有哪些?
- 发布时间:2020-08-17 09:03
- 浏览次数:215

0603灯珠,0603灯珠尺寸,0603灯珠红光价格,0603贴片Led生产厂家有哪些?
0603灯珠,0603灯珠尺寸,0603灯珠红光价格,0603贴片Led生产厂家有哪些?
0603灯珠
在小贴片灯珠的应用中,0603灯珠的应用是比较广的,优点是尺寸和体积比较小。
0603灯珠包括有:0603白光,0603红光,0603橙光,0603黄光,0603翠绿,0603黄绿,0603蓝光、0603双色灯珠、0603三色、全彩灯珠,还有0603侧发灯珠,所以,使用是极广的。
0603灯珠尺寸
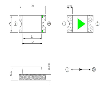
0603灯珠尺寸:1.6mmX0.8mmX0.6mm;(0603灯珠厚度有三种要供选择0.4mm/0.6mm/0.8mm,选型时可咨询客服看哪款更适合你)
一、0603灯珠尺寸:(单色尺寸图)

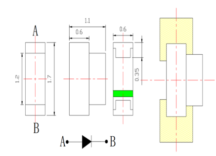
二、0603灯珠尺寸:(侧发单色&0602侧发光尺寸图)0603灯珠_0603灯珠尺寸_0603贴片led参数,单色双色三色全彩规格书一起给你0603灯珠尺寸:(侧发单色&0602侧发光尺寸图)

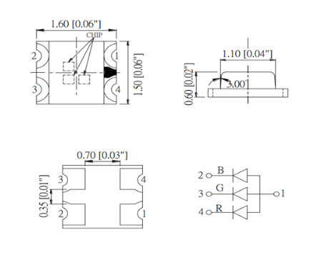
三、0603灯珠尺寸:(全彩 双色 三色系列尺寸图)0603灯珠_0603灯珠尺寸_0603贴片led参数,单色双色三色全彩规格书一起给你0603灯珠灯珠尺寸:(全彩 双色 三色系列尺寸图)

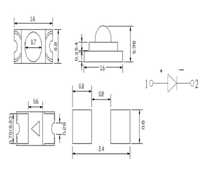
四、0603灯珠尺寸:(凸头单色系列尺寸图)0603灯珠_0603灯珠尺寸_0603贴片led参数,单色双色三色全彩规格书一起给你0603灯珠灯珠尺寸:(凸头单色系列尺寸图)

0603灯珠红光价格
0603灯珠红光价格一般是每颗几分钱,看客户具体的应用吧,一般用在普通指示灯上,对亮度要求比较低的会比较便宜,像用在家用电器指示,汽车仪表灯上的,0603灯珠红光价格会比较高些,毕竟汽车上要求车规级的要求,材料和参数上都会有要求。
所以,0603灯珠红光价格多少,一般看客户的产品和功能要求,材质要求,数量多少,LED灯珠厂家定制,价格也会有所不同。所以,要比较具体的0603灯珠红光价格,最好能知道要具体多少MCD亮度要求,LED灯珠厂家会核算一个价格给你。

0603贴片Led生产厂家有哪些?
0603贴片Led生产厂家市场上有比较多,但是整个LED灯珠行业市场由于品质参差不同,所使用的材料不同,封装芯片大小不同,支架和胶水等材质不同,价格会有差异,品质更是会差异比较大,如果要找产品稳定性比较好的LED生产厂家,一定要选靠谱的0603厂家。
比如,像台湾的品牌,台宏光电,亿光,这些都是比较老牌的LED生产厂家,品质比较有保障,价格上也比欧美的产品有优势,比较重要的是支持小批量试用和定制,服务和品质方面比较有保障。
国内的一些0603灯珠厂家,因为比较侧重性价比,很多厂家会选择偷工减料,造成实际的产品应用中出现产品不稳定,所以,要比较慎重选择。
0603灯珠亮度(灯珠参数)

0603灯珠参数:
0603黄绿:常规波长:565-575nm,电压:1.9-2.2V, 功率0.06w, 电流:20mA。(其它参数见下表)。0603灯珠型号
一、0603灯珠型号:(单色)
0603白光:暖白色温:2800-3200k ,正白光(冷白色温):6000-9000K-15000K以上。(其它参数见下表)。
0603红光:常规波长:620-630nm, 电压:1.9-2.2V, 功率0.06w, 电流:20mA。(其它参数见下表)。
0603橙光: 常规波长:600-610nm,电压:1.9-2.2V, 功率0.06w, 电流:20mA。(其它参数见下表)。
0603黄光:常规波长:585-595nm,电压:1.9-2.2V, 功率0.06w, 电流:20mA。(其它参数见下表)。
0603翠绿:常规波长:515-525nm,电压:1.9-2.2V, 功率0.06w, 电流:20mA。(其它参数见下表)。
0603红外灯:常规波长:850nm和940nm,电压:1.3-1.5V, 功率0.06w, 电流:20mA。

0603灯珠型号
二、0603灯珠型号:(侧发单色&0602侧发光)
0602白光:暖白色温:2800-3200k ,正白光(冷白色温):6000-9000K-15000K以上。(其它详细参数见下表)。
0602红光:常规波长:620-630nm, 电压:1.9-2.2V, 功率0.06w, 电流:20mA。(其它详细参数见下表)。
0602橙光: 常规波长:600-610nm,电压:1.9-2.2V, 功率0.06w, 电流:20mA。(其它详细参数见下表)。
0602黄光:常规波长:585-595nm,电压:1.9-2.2V, 功率0.06w, 电流:20mA。(其它详细参数见下表)。
0602翠绿:常规波长:515-525nm,电压:1.9-2.2V, 功率0.06w, 电流:20mA。(其它详细参数见下表)。
0602黄绿:常规波长:565-575nm,电压:1.9-2.2V, 功率0.06w, 电流:20mA。(其它详细参数见下表)。

三、0603灯珠灯珠型号(全彩 双色 三色系列)

四、0603灯珠灯珠型号(凸头单色系列)

0603灯珠规格书

总的来说
0603贴片灯,贴片0603红灯,贴片0603双色led,0603三色灯,0603贴片led蓝色,0603紫光灯珠,0603侧面贴片led 这些0603灯珠用的是比较多的,看上面的型号和规格书就可以看到了。
最后的话:买灯珠,找台宏,提高选型效率,降低维护成本
台宏光电:专注发光二极管(LED灯珠)研发、生产和销售。
可预约工程师提供灯珠快速选型服务,免费提供样品测试,有效解决您的选型难题!
客服咨询QQ: 2881795059 (微信同号)扫描下方二维码添加好友咨询 (每天限量免费提供10份LED灯珠样品)

