产品详情
257led灯珠,257mm红色led方形灯珠,257mm发光二极管。

方形灯珠 257 是一种采用插件式封装小灯珠、低功耗、高亮度 LED 灯珠,广泛应用于各种电子设备和指示应用中。以下是该产品的详细信息和特点:
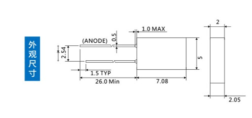
257 LED封装尺寸图:

257 LED封装优势:
1、Small size,Low heat,high brightness 体积小,发热量小,高亮度 2、Average light-decay<2% in 3000 hr 低光衰:3000小时平均衰减<2% 3、Instant lighting up(less than 100 ns) 瞬间点亮(小于100奈秒) 4、Excellent electrostatic protection and RoSH compliant 优良的静电防护,工艺符合RoSH 标准 5、A variety of colors to choose from 多种色彩可选择
257 LED封装技术参数:


